
咨詢熱線
0757-82255905不銹鋼就是在空氣中或化學腐蝕介質中能夠抵抗腐蝕、有較高穩定性的一種高合金鋼,其耐腐蝕性能好、具有美觀光潔的表面,不必經過鍍色等表面處理,而發揮其所固有的表面性能。從金相學角度分析,因為不銹鋼精密管含有較高的鉻,鉻在表面形成很薄的鉻膜,這個膜隔離開侵入鋼內的氧氣,從而起耐腐蝕的作用。為了保持鋼管所固有的耐腐蝕性,鋼必須含有12%以上的鉻(GB/T 20878),對不銹鋼精密管檢測,下面我們來探析。

一、檢測分類
1、以化學成分分類:Cr系不銹鋼;Cr-Ni系不銹鋼;Cr-Ni-Mo系不銹鋼;Cr-Mn-Ni系不銹鋼等。
2、以金相組織的分類:奧氏體不銹鋼(200系、300系);鐵素體不銹鋼 (430、446等);馬氏體不銹鋼 (410系、420系以及440C系);雙相不銹鋼 (Cr18、Cr23、Cr22和Cr25 );沉淀硬化不銹鋼。
二、金相檢驗
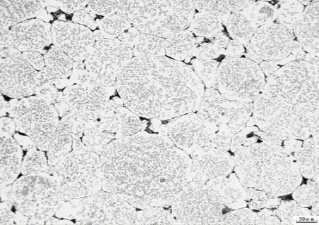
1、試樣的制備
不銹鋼精密管金相試樣的制備過程和高合金鋼基本相同。其中奧氏體不銹鋼基體組織較軟,韌性較高和易產生加工硬化,試樣制備難度較高,在拋磨過程中易產生機械滑移以及擾亂金屬層組織等假象而影響正常的金相組織分析和檢驗。半馬氏體鋼制樣不當則會使奧氏體轉變成馬氏體,所以制備試樣不應使試樣產生高熱。磨光用力不應過大,拋光時間不宜過長。

2、化學侵蝕
精密不銹鋼管具有較高的耐腐蝕性能,所以顯示其顯微組織的侵蝕劑必須有強烈的侵蝕性,才能使組織清晰的顯現出來。應根據鋼的成分和熱處理狀態選擇合適的侵蝕劑。
常用的侵蝕劑有:
(1)氯化高鐵5g+鹽酸50ml+水10ml;(適用于奧氏體型鋼以及奧氏體-鐵素體型雙相鋼)
(2)鹽酸10ml+硝酸10ml+酒精100ml;
(3)苦味酸4g+鹽酸5ml+酒精100ml;(較難腐蝕試樣可以進行水浴加熱)
(4)氫氟酸酸(5%)1ml+硝酸(5%)4ml+水45ml;
此外,不銹鋼制品管中可能還會同時出現鐵素體、奧氏體、碳化物、δ鐵素體、σ相等,可以通過化學侵蝕的方法予以區別,在形態上,奧氏體組織有孿晶,鐵素體常呈帶狀或枝晶狀;用赤血鹽氫氧化鉀溶液(赤血10g-15g+NaOH10g-30g+水100mL,熱煮60-90℃)侵蝕后鐵素體呈玫瑰色,奧氏體呈光亮色,用堿性高錳酸鉀侵蝕后,碳化物為淺棕色,σ相橘紅色。
三、常用檢測標準
1、非金屬夾雜物:GB/T 10561、ASTM E45
2、晶粒度:GB/T 6394 、ASTM E112
3、F含量:GB/T 13305-2008
4、F-A雙相不銹鋼中σ脆性相的析出檢驗:ASTM A923 ,其他:GB/4234-2003
以上就是不銹鋼精密管的金相檢驗內容了,我們想要真正了解不銹鋼焊管的耐腐蝕性能,必須通過了解材料的金相組織,針對性的選擇對材料有強烈腐蝕性能的侵蝕劑,才能真正的體現出不銹鋼精密管的耐腐蝕性能。

版權所有? 佛山市罡正管業科技有限公司 粵ICP備19066789號-1
電話:0757-82255905 手機:139-2315-7588 聯系人:陳先生
傳真: QQ:435562665 郵箱:435562665@qq.com
地址:佛山市三水區西南街道洲邊五村進港大道側和坑1號2座
